Descripción
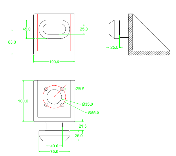
Cerradura giratoria lateral para contenedor, largo 100 mm, ancho 100 mm, diámetro del orificio 35 mm, acero galvanizado en caliente
Se utiliza para arreglar y bloquear contenedores de envío.
|
Especificaciones |
|
|
Material |
stAnguila |
|
Finalizar |
baño caliente galvanizado |
|
Longitud |
100mm |
|
Anchura |
100mm |
|
Diámetro del agujero |
35 mm |
|
Peso |
2.8kg |







