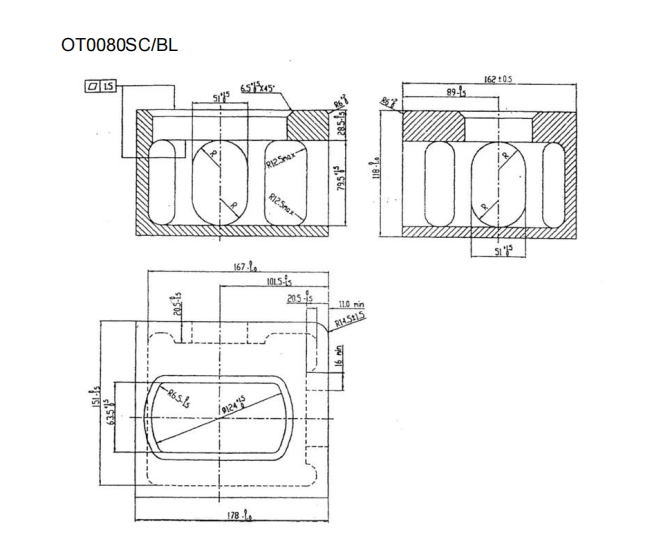
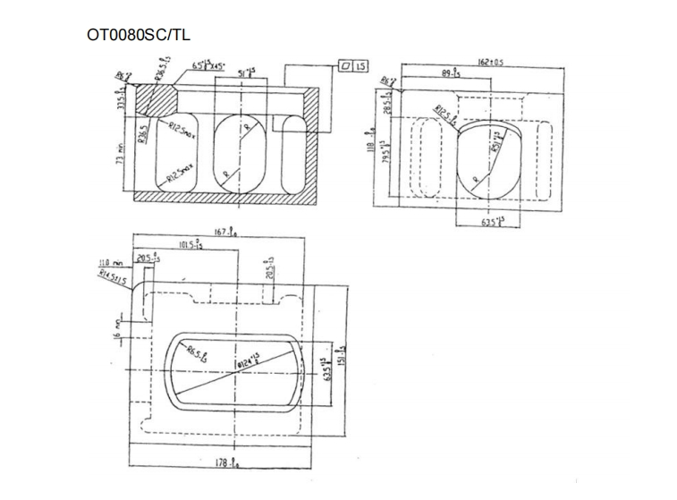
Angolo di container ISO 1161 in acciaio inossidabile

P/N: OT0080SC

Descrizione

Angolo di container ISO 1161, taglia 178 mm*162 mm*118 mm, 8pcs per kit, acciaio inossidabile 304 con finitura grezza

Utilizzato con container di spedizioni

 

Specifiche

 

Materiale

acciaio inossidabile 304

Fine

crudo

Lunghezza

178 mm

Larghezza

162 mm

Altezza

118 mm

Peso/kit

88 kg

Seleziona quantità